Фланец стальной
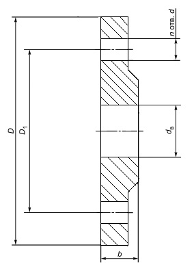
Фланец - это соединительный элемент трубопроводов и предназначен для монтажа отдельных его частей, а также для присоединения оборудования к трубопроводу. Конструктивно фланец представляет собой диск или кольцо с отверстиями для шпилек или болтов. Выполнен по ГОСТ 33259
Размеры фланцев на давление PN10
DN, мм | D, мм | Кол-во отверстий | Диаметр отверстия dв, мм | D1, мм | Диаметр болтов (шпилек) |
10 | 90 | 4 | 15 | 60 | М12 |
15 | 95 | 4 | 19 | 65 | М12 |
20 | 105 | 4 | 26 | 75 | М12 |
25 | 115 | 4 | 33 | 85 | М12 |
32 | 135 | 4 | 39 | 100 | М16 |
40 | 145 | 4 | 46 | 110 | М16 |
50 | 160 | 4 | 59 | 125 | М16 |
65 | 180 | 4 | 78 | 145 | М16 |
80 | 195 | 4 | 91 | 160 | М16 |
100 | 215 | 8 | 116 | 180 | М16 |
125 | 245 | 8 | 142 | 210 | М16 |
150 | 280 | 8 | 170 | 240 | М20 |
200 | 335 | 8 | 222 | 295 | М20 |
250 | 390 | 12 | 273 | 350 | М20 |
300 | 440 | 12 | 325 | 400 | М20 |
350 | 500 | 16 | 377 | 460 | М20 |
400 | 565 | 16 | 426 | 515 | М24 |
450 | 615 | 20 | 480 | 565 | М24 |
500 | 670 | 20 | 530 | 620 | М24 |
600 | 780 | 20 | 630 | 725 | М27 |
700 | 895 | 24 | 720 | 840 | М27 |
800 | 1010 | 24 | 820 | 950 | М30 |
900 | 1110 | 28 | 920 | 1050 | М30 |
1000 | 1220 | 28 | 1020 | 1160 | М30 |
Размеры фланцев на давление PN16
DN, мм | D, мм | Кол-во отверстий | Диаметр отверстия dв, мм | D1, мм | Диаметр болтов (шпилек) |
10 | 90 | 4 | 15 | 60 | М12 |
15 | 95 | 4 | 19 | 65 | М12 |
20 | 105 | 4 | 26 | 75 | М12 |
25 | 115 | 4 | 33 | 85 | М12 |
32 | 135 | 4 | 39 | 100 | М16 |
40 | 145 | 4 | 46 | 110 | М16 |
50 | 160 | 4 | 59 | 125 | М16 |
65 | 180 | 4 | 78 | 145 | М16 |
80 | 195 | 4 | 91 | 160 | М16 |
100 | 215 | 8 | 116 | 180 | М16 |
125 | 245 | 8 | 142 | 210 | М16 |
150 | 280 | 8 | 170 | 240 | М20 |
200 | 335 | 12 | 222 | 295 | М20 |
250 | 405 | 12 | 273 | 355 | М24 |
300 | 460 | 12 | 325 | 410 | М24 |
350 | 520 | 16 | 377 | 470 | М24 |
400 | 580 | 16 | 426 | 525 | М27 |
450 | 640 | 20 | 480 | 585 | М27 |
500 | 710 | 20 | 530 | 650 | М30 |
600 | 840 | 20 | 630 | 770 | М36 |
700 | 910 | 24 | 720 | 875 | М36 |
800 | 1020 | 24 | 820 | 990 | М36 |
900 | 1120 | 28 | 920 | 1050 | М36 |
1000 | 1255 | 28 | 1020 | 1170 | М42 |
Пока нет комментариев